CASE
CONTACT US
北京利达华信电子股份有限公司
联系人:何经理
服务热线:4006-598-119
邮箱:1334605518@qq.com
电话:15262554119
地址:苏州常熟市黄河路275号
利达LD6806ET 中继模块接线安装技术
发布时间:2025年09月10日 人气:3573 来源:本站
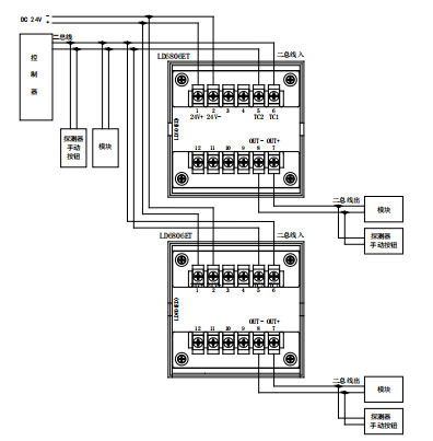
利达LD6806ET中继模块采用特殊防潮技术和插拔式结构设计。主要作用是扩增二总线负载能力,提高消防报警系统的可靠性。 当信号线过长(线路总电阻大于 50Ω)或线路电压过低时(探测线路电压低于 14V 或启动后电压低于 14V)建议在信号总线 上加装 LD6806ET 中继模块,然后在 LD6806ET 的输出端可再加负载,此外 LD6806ET 中继模块也具备短路保护隔离器的作用。 满足 GB 16806-2006《消防联动控制系统》、CNCA-C18-01:2014《强制性产品认证实施规则》、CCCF-HZBJ-01《强制性产品认 证实施细则》,符合认证要求。
功能:
★ 二总线,无极性。
★ DC 24V 供电,有极性。
★ 不占地址点。
★ 实现隔离的信号中继功能,输出能力达 1A。
★ 输出带短路和过载保护,可自动恢复。
★ 可配接我公司在售的全系列火灾报警控制器。
主要技术指标:

外形结构示意图:

接线示意图:

安装步骤:与 LD6801ED-1 相同。
布线要求:
★ 二总线:宜选用截面积≥1.5mm2 的耐火双色双绞铜芯线或选用截面积≥1.5mm2 的耐火铜芯电缆,耐压≥250V,线路 末端总线电压低于 14V 时需增大导线截面积,或加装总线中继器(不宜采用平行线)。
★ DC24V 电源总线:宜选用截面积≥1.5mm2 的耐火 BV 铜芯电线线缆,电源线总压降≤3V,否则应考虑增大导线截面积。
★ 穿管要求:应单独穿入金属管、经阻燃处理的硬质塑料管或封闭式线槽中,金属管和金属线槽应可靠接地,并应在 金属管或金属线槽上采取防火保护措施。严禁与其他系统传输线路穿入同一管中。在雷击危险性比较大的场合应采 用穿金属管或密闭的金属线槽。
最新产品
相关新闻
- 液氧罐与明火地点防火间距不足的处理方案2025-12-03
- 防火玻璃墙设置自动喷水灭火系统保护基本要求2025-12-03
- 机械加压送风方式的探讨2025-12-01
- 北京利达消防集团新业绩项目-北京服装学院2025-12-01
- 桑拿房内是否不设自动喷水灭火系统?2025-11-27
- 火灾报警系统避难层区域机的问题2025-11-27
- 液氧罐与明火地点防火间距不足的处理方案2025-11-25
- 关于人员密集场所加强动火作业安全管理的通告2025-11-25
- 防火卷帘旁设置温感探测器时,不符合规范要求2025-11-14
- 建筑防火通用规范(GB55037-2022),核心参数解读2025-11-14



服务热线:4006-598-119 18751140119
地址:苏州常熟市黄河路275号
客服 